offers original and replacement SD4,1 Spool,10.6 GPM,Hydraulic Directional Control Valves for our customers. We will save customer costs, increase productivity and profit margins, Welcome to
Get Latest Price now!
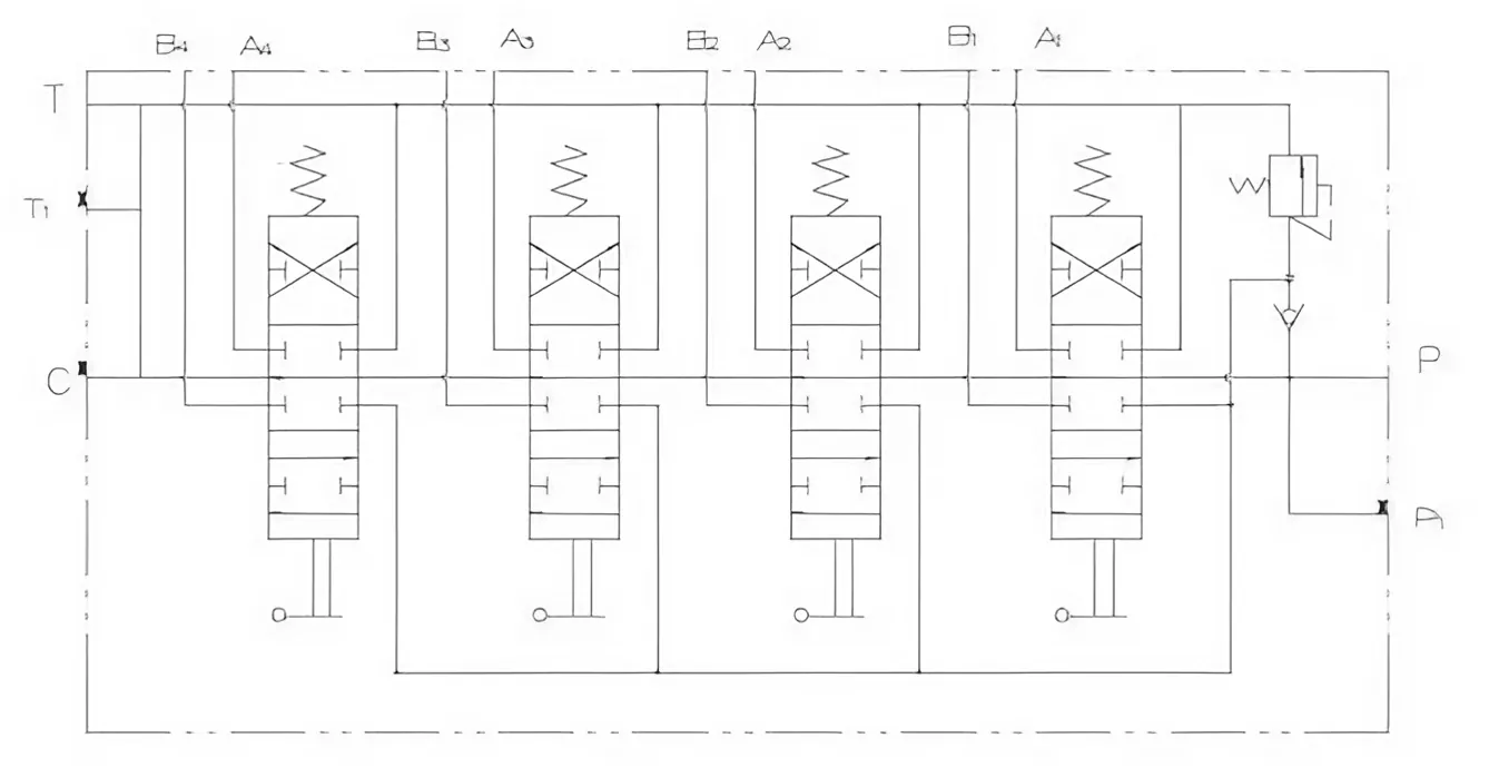
Function:Directional Control Valve
Spools range:1 spool
Operating Pressure(Max):250bar
Max.Flow rate(L/min):40/10.57 GPM
Back Pressure(MPa): ≤1
Relief Valve Set Pressure:100-250bar
Connection Mode:Internal Thread
Control Type:Manual
Material:Casting Iron
Warranty:1Year
Drive:Hydraulic
Place of Origin:Ningbo,ZheJiang
Customized support:OEM,ODM
Product Description
SD4 series hydraulic wood grab valve is a combination of check valve,
safety valve, oil inlet body, oil return body and multiple reversing valve plates.
The Technical Specification Of The SD4 Valve
Before the final installation on your equipment, follow the below recommendations:
- the valve can be assembled in any position, in order to prevent body deformation and
spool sticking mount the product on a flat surface.
- in orderto prevent the possibility of water entering the lever box and spool control kit,
do not use high pressure wash down directly on the valve.
- prior to painting, ensure plastic port plugs are tightly in place.

| SD4 Features |
| The valve is used for large Forklifts and Stackers, Cranes, Garbage Compactors, Drain Machines, large Agricultural Machines and Bulldozers. |
| 1 | Simple, compact and heavy duty designed sectional valve from 1 to 12 sections . |
| 2 | Parallel circuit. |
| 3 | Optional power beyond port. |
| 4 | BSP/Metric/UNF/NPT Thread of oil ports |
| 5 | manual, pneumatic, hydraulic, electro--hydraulic, and flexible cables spool control kits. |


Application
Manufacturing processes: Injection molding machines.
Forestry equipment: Log splitters and sawmills.
Waste management: Garbage compactors and balers.
Civil engineering: Hydraulic dams and gates.
Mobile construction equipment: Excavators, backhoes, and loaders.
Agricultural machinery: Tractors, harvesters, and sprayers.
PROVIDING EXCELLENT SOLUTIONS BY SAIVS™
Speak to one of our experts today to learn more about our SD4,1 Spool,10.6 GPM,Hydraulic Directional Control Valves products solutions.
Request a Quote
Tags: hydraulic directional control valves SD4 Hydraulic Directional Control Valves monoblock directional control valves